mobile menu icon P2R logo

Vehicle Exploded View - PIAGGIO VU PORTER ESSENCE/GPL/MÉTHANE MAXXI 1000 Porter Maxxi Up Date 2009 PIAGGIO VU

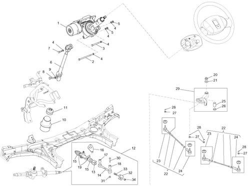
Guidon/direction : 03.07 ARTICULATION DE DIRECTION
Articulation de direction
Search
Colonne direction

1

P2R reference P2R reference
Maker reference Maker reference
STEERING COLUMN WITH EPS (CONTACT LESS) "PIAGGIO GENUINE PART" PORTER E4 2010> -B005915

1

P2R reference P2R reference
Maker reference Maker reference
Replaced by référence
More information

Quantity required : 1

B000508 - BOULON 8 X135

2

P2R reference P2R reference
Maker reference Maker reference
More information

Quantity required : 1

030082 - BOULON              S03008200

3

P2R reference P2R reference
Maker reference Maker reference
More information

Quantity required : 1

003058 - RONDELLE S00305800

4

P2R reference P2R reference
Maker reference Maker reference
More information

Quantity required : 5

NUT - FOR EXHAUST FASTENING "PIAGGIO GENUINE PART" COMMON TO ALL THE RANGE -015341

5

P2R reference P2R reference
Maker reference Maker reference
More information

Quantity required : 2

B0009835 - TIGE DIRECTION

6

P2R reference P2R reference
Maker reference Maker reference
Replaced by référence
More information

Quantity required : 1

TIGE DE DIRECTION ORIGINE PIAGGIO PORTER 2010>2015 -B0009836-

6

P2R reference P2R reference
Maker reference Maker reference
More information

Quantity required : 1

B000504 - BOULON

7

P2R reference P2R reference
Maker reference Maker reference
More information

Quantity required : 1

B000505 - BOULON

8

P2R reference P2R reference
Maker reference Maker reference
More information

Quantity required : 1

006173 - RONDELLE S00617300

9

P2R reference P2R reference
Maker reference Maker reference
More information

Quantity required : 1

B000466 - COIFFE

10

P2R reference P2R reference
Maker reference Maker reference
More information

Quantity required : 1

B000467 - JOINT A LEVRE

11

P2R reference P2R reference
Maker reference Maker reference
More information

Quantity required : 1

B004148 - CREM DIRECTION

12

P2R reference P2R reference
Maker reference Maker reference
More information

Quantity required : 1

B004827 - PLATE UNION

13

P2R reference P2R reference
Maker reference Maker reference
More information

Quantity required : 1

STEERING ARTICULATION (WITHOUT SILENT-BLOCK) "PIAGGIO GENUINE PART" PORTER -B004678

14

P2R reference P2R reference
Maker reference Maker reference
More information

Quantity required : 1

STEERING GUARD "PIAGGIO GENUINE PART" PORTER -B004820

15

P2R reference P2R reference
Maker reference Maker reference
More information

Quantity required : 2

B004694 - COUVERCLE

16

P2R reference P2R reference
Maker reference Maker reference
More information

Quantity required : 1

STEERING BOX BUSHING KIT "PIAGGIO GENUINE PART" PORTER E4 2010> -1R000272

17

P2R reference P2R reference
Maker reference Maker reference
More information

Quantity required : 1

SILENT-BLOC FOR STEERING TIE ROD "PIAGGIO GENUINE PART" PORTER -B004679

17

P2R reference P2R reference
Maker reference Maker reference
More information

Quantity required : 1

SILENT-BLOC FOR STEERING TIE ROD "PIAGGIO GENUINE PART" PORTER E4 2010> B004680

18

P2R reference P2R reference
Maker reference Maker reference
More information

Quantity required : 1

STEERING BOX BUSHING KIT "PIAGGIO GENUINE PART" PORTER E4 2010> -1R000272

18

P2R reference P2R reference
Maker reference Maker reference
More information

Quantity required : 1

B004821 - SEGMENT

19

P2R reference P2R reference
Maker reference Maker reference
More information

Quantity required : 2

9004178043000 - ECROU

20

P2R reference P2R reference
Maker reference Maker reference
More information

Quantity required : 1

9004201638000 - RONDELLE

21

P2R reference P2R reference
Maker reference Maker reference
More information

Quantity required : 1

STEERING KNUCKLE "PIAGGIO GENUINE PART" PORTER -652234

22

P2R reference P2R reference
Maker reference Maker reference
More information

Quantity required : 2

STEERING KNUCKLE "PIAGGIO GENUINE PART" PORTER -652234

23

P2R reference P2R reference
Maker reference Maker reference
More information

Quantity required : 1

STEERING KNUCKLE "PIAGGIO GENUINE PART" PORTER -652234

24

P2R reference P2R reference
Maker reference Maker reference
More information

Quantity required : 1

STEERING BOX BUSH "PIAGGIO GENUINE PART" PIAGGIO PORTER 1992> 9004389104000

25

P2R reference P2R reference
Maker reference Maker reference
More information

Quantity required : 1

9004210027000 - RONDELLE

26

P2R reference P2R reference
Maker reference Maker reference
More information

Quantity required : 1

D9004171003 - Ecrou

27

P2R reference P2R reference
Maker reference Maker reference
More information

Quantity required : 4

261336 - AGRAFE

28

P2R reference P2R reference
Maker reference Maker reference
More information

Quantity required : 4

STEERING ARM "PIAGGIO GENUINE PART" PORTER -2624805

29

P2R reference P2R reference
Maker reference Maker reference
More information

Quantity required : 1

STEERING LINKAGE "PIAGGIO GENUINE PARTS" PORTER -B004823

30

P2R reference P2R reference
Maker reference Maker reference
More information

Quantity required : 2

B004824 - ECROU

31

P2R reference P2R reference
Maker reference Maker reference
More information

Quantity required : 2

B004822 - PLATE UNION

32

P2R reference P2R reference
Maker reference Maker reference
More information

Quantity required : 1

B004826 - BOULON

33

P2R reference P2R reference
Maker reference Maker reference
More information

Quantity required : 1

B004825 - ECROU

34

P2R reference P2R reference
Maker reference Maker reference
More information

Quantity required : 1

All the exploded views of this vehicle

Filter :
Or choose :