Vehicle Exploded View - PIAGGIO MP3 500 LT Business 2014-2015
Kit entretien : 00.00 KIT ENTRETIEN
Search
All the exploded views of this vehicle
Filter :
Or choose :
-
-
00.00 Kit Entretien
-
00.01 Accessoires
-
01.02 Moteur complet
-
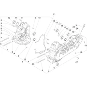
01.05 Carter
-
01.06 Vilebrequin
-
01.07 Groupe cylindre-piston-axe
-
01.10 Ensemble culasse - Soupape
-
01.11 Groupe support balanciers
-
01.12 Couvercle culasse
-
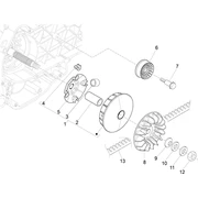
01.13 Poulie motrice
-
01.14 Poulie entrainee
-
01.15 Couvercle carter - Refoidissement carter
-
01.18 Pompe à huile
-
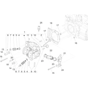
01.19 Pompe à eau
-
01.20 Démarrage - Démarrage électrique
-
01.21 Volant magnetique
-
01.23 Couvercle volant magnetique - Filtre à huile
-
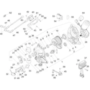
01.25 Ensemble réducteur
-
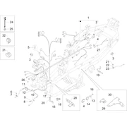
01.36 Corps papillon - Injecteur - Raccord d'admission
-
01.42 Silencieux
-
01.45 Filtre à air
-
02.01 Châssis/coque
-
02.25 Béquille/s
-
02.26 Tablier avant
-
02.27 Pare-brise - Glaces
-
02.30 Coffre avant - Contre-tablier
-
02.31 Protection centrale - Repose-pieds
-
02.32 Couvertures laterales - Spoiler
-
02.33 Logement roue - Garde boue
-
02.34 Logement casque - Dessous de selle
-
02.37 Couvercle arrière - Pare-boue
-
02.38 Monogrammes - Decorations
-
02.39 Selle/sieges
-
02.45 Rétroviseur/s
-
02.46 Serrures
-
02.47 Réservoir carburant
-
02.53 Instalation de l'alimentation
-
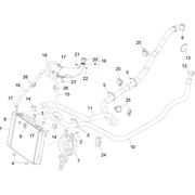
02.55 Instalation de refoidissement
-
03.01 Couvertures guidon
-
03.02 Groupe instruments - Cruscotto
-
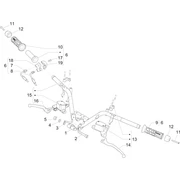
03.06 Guidon - Maître cylindre
-
04.01 Bras oscillant
-
04.02 Fourche/tube direction - Ensemble butée dir.
-
04.07 Componenti della forcella (Mingxing)
-
04.10 Suspension arrière - Amortisseur/s
-
04.11 Roue avant
-
04.12 Roue arrière
-
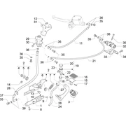
05.02 Tuyaus du freins - Etriers de frein (ABS)
-
05.03 Transmissions
-
05.05 Groupe pédales - Leviers
-
05.06 Système frein ABS
-
06.01 Inverseurs - Commutateurs - Boutons - Interrupteurs
-
06.03 Eclairages avant - Clignotants
-
06.04 Eclairages arrière - Clignotants
-
06.05 Relais - Batterie - Avertisseur sonore
-
06.06 Régulateurs de tension - Centrales electroniques - Bobine H.T.
-
06.08 Faisceau de câbles principal