Vehicle Exploded View - APRILIA SR 125 MOTARD RST 2023 (EMEA)
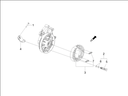
Système de freinage : 06.060 FREIN POSTERIEUR - MÂCHOIRE
Search
All the exploded views of this vehicle
Filter :
Or choose :
-
-
01.01 Châssis/coque
-
01.03 Béquille
-
02.05 Coupole / Pare brise
-
02.06 Carrosserie av.
-
02.08 Carène lateral
-
02.10 Carrosserie centrale
-
02.11 Rétroviseur/s
-
02.12 Selle
-
02.13 Logement sous-selle
-
02.14 Carrosserie posterieure
-
02.17 Serrures
-
02.19 Décalco
-
03.01 Moteur-Groupe complementaire
-
03.03 Carters I
-
03.05 Corps filtre
-
03.07 Carburateur
-
03.10 Culasse - soupapes
-
03.12 Distribution
-
03.15 Cylindre - Piston
-
03.16 Vilebrequin
-
03.20 Pompe à huile
-
03.23 Embrayage
-
03.24 Demi-poulie motrice
-
03.255 Ensemble réducteur
-
03.27 Carter de volant
-
03.29 Démarreur / Démarreur électrique
-
03.30 Volant magnétique / Allumage
-
03.33 Silencieux
-
03.36 Couvercle carter - Refoidissement carter
-
03.37 Groupe support balanciers
-
04.08 Amortisseur
-
04.10 Fourche avant
-
05.01 Roue avant
-
05.02 Roue arrière
-
06.02 Pince frein avant
-
06.060 Frein posterieur - Mâchoire
-
06.07 Système de freinage
-
07.02 Guidon - Commandes
-
08.01 Eclairages avant
-
08.02 Instruments
-
08.03 Eclairages arrière
-
09.01 Réservoir essence
-
09.02 Sys.récup.vap.ess.
-
11.01 Circuit electrique AV
-
11.02 Circuit electrique cent.
-
11.03 Circuit electrique arrière