mobile menu icon P2R logo

Vehicle Exploded View - PIAGGIO X8 200 2005-2007 PIAGGIO

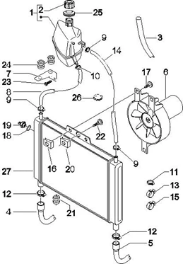
Châssis - parties plastiques - carrosseries : 02.55 INSTALATION DE REFOIDISSEMENT
Instalation de refoidissement
Search
655527 - RESERVOIR

1

P2R reference P2R reference
Maker reference Maker reference
More information

Quantity required : 1

COOLANT TANK CAP "PIAGGIO GENUINE PART" COMMON TO THE MAXISCOOTER RANGE -623673

2

P2R reference P2R reference
Maker reference Maker reference
More information

Quantity required : 1

597064 - PROTECTION

3

P2R reference P2R reference
Maker reference Maker reference
More information

Quantity required : 4

COOLANT HOSE "PIAGGIO GENUINE PART" 125 X7, X8 -620987

4

P2R reference P2R reference
Maker reference Maker reference
More information

Quantity required : 1

COOLANT HOSE - HEAD TO RADIATOR "PIAGGIO GENUINE PART" 125 X8  -620988-

5

P2R reference P2R reference
Maker reference Maker reference
More information

Quantity required : 1

COOLING FAN "PIAGGIO GENUINE PART" 125-250-300-400-500 MP3, BEVERLY, X-EVO, X10/GILERA 125-250-300-500 NEXUS/APRILIA 125-300 SR-MAX -58211R

6

P2R reference P2R reference
Maker reference Maker reference
More information

Quantity required : 1

621090 - SUPPORT

7

P2R reference P2R reference
Maker reference Maker reference
More information

Quantity required : 1

621311 - TUBE

8

P2R reference P2R reference
Maker reference Maker reference
More information

Quantity required : 1

HOSE CLAMP "PIAGGIO GENUINE PART" COMMON TO ALL THE RANGE -CM001903

9

P2R reference P2R reference
Maker reference Maker reference
More information

Quantity required : 3

HOSE CLAMP "PIAGGIO GENUINE PART" COMMON FOR ALL THE RANGE -CM001904

10

P2R reference P2R reference
Maker reference Maker reference
More information

Quantity required : 1

COOLANT//AIR FILTER HOSE CLAMP "PIAGGIO GENUINE PART" COMMON TO ALL THE RANGE -CM001907

11

P2R reference P2R reference
Maker reference Maker reference
More information

Quantity required : 2

COOLANT HOSE CLAMP "PIAGGIO GENUINE PART" COMMON FOR ALL MAXISCOOTERS -CM001908

12

P2R reference P2R reference
Maker reference Maker reference
More information

Quantity required : 2

CM006903 - RESSORT

13

P2R reference P2R reference
Maker reference Maker reference
More information

Quantity required : 2

CM007001 - TUYAU

14

P2R reference P2R reference
Maker reference Maker reference
More information

Quantity required : 1

CM017802 - RESSORT POUR TUBES

15

P2R reference P2R reference
Maker reference Maker reference
More information

Quantity required : 1

SPRING PLATE (M6) "PIAGGIO GENUINE PART" COMMON FOR ALL THE RANGE -254485

16

P2R reference P2R reference
Maker reference Maker reference
More information

Quantity required : 3

SCREW - (M6x16) "PIAGGIO GENUINE PART" COMMON TO ALL THE RANGE -272836

17

P2R reference P2R reference
Maker reference Maker reference
More information

Quantity required : 3

COPPER GASKET FOR HEAT SENSOR "PIAGGIO GENUINE PART" COMMON TO THE RANGE MAXISCOOTER -168077

18

P2R reference P2R reference
Maker reference Maker reference
More information

Quantity required : 1

TEMPERATURE SENSOR "PIAGGIO GENUINE PART" COMMON TO THE RANGE MAXISCOOTER 125-250 -584715

19

P2R reference P2R reference
Maker reference Maker reference
More information

Quantity required : 1

SPRING PLATE (M6) "PIAGGIO GENUINE PART" COMMON FOR ALL THE RANGE -254485

20

P2R reference P2R reference
Maker reference Maker reference
More information

Quantity required : 1

SILENBLOC "PIAGGIO GENUINE PART" COMMON TO ALL THE RANGE MAXISCCOOTER -258904

21

P2R reference P2R reference
Maker reference Maker reference
More information

Quantity required : 2

259708 - BOULON

22

P2R reference P2R reference
Maker reference Maker reference
More information

Quantity required : 1

268596 - VIS

23

P2R reference P2R reference
Maker reference Maker reference
More information

Quantity required : 2

SILENBLOC "PIAGGIO GENUINE PART" COMMON TO ALL THE RANGE MAXISCCOOTER -258904

24

P2R reference P2R reference
Maker reference Maker reference
More information

Quantity required : 2

GASKET FOR COOLANT TANK CAP "PIAGGIO GENUINE PART" PIAGGIO 125-250-400 BEVERLY, X-EVO, X8, 50-125 VESPA PRIMAVERA, SPRINT, 50 ZIP, NRG/GILERA 125-250-300 NEXUS, X-MAX -620737

25

P2R reference P2R reference
Maker reference Maker reference
More information

Quantity required : 1

257134 - COLLIER

26

P2R reference P2R reference
Maker reference Maker reference
More information

Quantity required : 3

COOLING RADIATOR "PIAGGIO GENUINE PART" X7 125-250-300 2008>2010, X8 125-250 2005>2007 -57312R

27

P2R reference P2R reference
Maker reference Maker reference
More information

Quantity required : 1

All the exploded views of this vehicle

Filter :
Or choose :