Vehicle Exploded View - PIAGGIO VU PORTER ESSENCE/GPL/MÉTANE STANDARD 0 Porter Multitech E4 2010 - E5 2013 - E5+ 2014-2015
All the exploded views of this vehicle
Filter :
Or choose :
-
-
01.01 Moteur complet
-
01.04 Vilebrequin
-
01.06 Bloc cylindres
-
01.07 Groupe piston
-
01.08 Ensemble culasse - Soupape
-
01.10 Couvercle culasse
-
01.14 Courroie de distribution et couvercle
-
01.16 Pompe à eau
-
01.17 Démarrage - Démarrage électrique
-
01.19 Alternateur
-
01.21 Filtre à huile
-
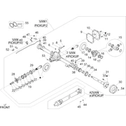
01.25 Transmission arrière
-
01.26 Carter de boîte de vitesses
-
01.27 Composants de la boîte de vitesses
-
01.28 Sélecteurs internes de vitesses
-
01.29 Sélecteurs internes de la boîte de vitesses
-
01.30 Embrayage
-
01.32 Boîtier papillon et injecteurs
-
01.33 Raccords d'admission et d'échappement
-
01.37 Silencieux
-
01.38 Filtre à air
-
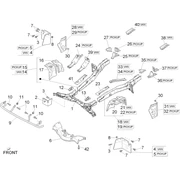
02.02 Châssis/caisse avant
-
02.03 Châssis/caisse latérale
-
02.04 Châssis/caisse arrière
-
02.06 Supports moteur
-
02.07 Portières avant - Vitre
-
02.08 Composants des portes avant
-
02.09 Portières arrière - Vitre
-
02.10 Composants des portes arrière
-
02.11 Hayon - Vitre
-
02.13 Composants de la cabine
-
02.14 Ceintures de sécurité
-
02.15 Panneau du toit
-
02.16 Panneaux isolants - Moulures
-
02.17 Panneau plancher arrière
-
02.18 Benne ouverte
-
02.19 Benne ouverte - (Tipper)
-
02.20 Composants de la benne
-
02.21 Ridelles plateau
-
02.22 Ridelles du plateau (Tipper)
-
02.23 Système de basculement
-
02.24 Pompe de basculement - Composants
-
02.25 Pare-brise - Glaces
-
02.26 Lève-vitre avant et arrière
-
02.27 Fenêtres latérales AR - Panneaux
-
02.29 Panneau du plancher AV
-
02.30 Protections avant
-
02.31 Couvercle arrière
-
02.32 Monogrammes - Decorations
-
02.33 Sièges avant
-
02.34 Sièges arrière
-
02.35 Revêtements intérieurs
-
02.36 Rétroviseur/s
-
02.37 Serrures
-
02.38 Reservoir
-
02.39 Réservoir carburant II
-
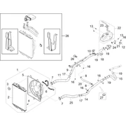
02.43 Instalation de refoidissement
-
02.44 Composants du système de refroidissement
-
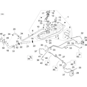
02.45 Système de chauffage
-
02.47 Air conditionné
-
03.02 Groupe instruments - Cruscotto
-
03.04 Tunnel central
-
03.06 Articulation de direction
-
03.08 Volant
-
04.01 Bras oscillant
-
04.03 Suspension avant - Amortisseur/s
-
04.04 Moyeu de roue avant
-
04.05 Suspension arrière - Amortisseur/s
-
04.06 Roues avant et arrière
-
04.07 Roue de secours - Trousse à outils
-
05.01 Avant tuyaus du freins - Pompe
-
05.02 Tuyaus du freins - Etriers de frein
-
05.03 Tuyaus du freins - Etriers de frein II
-
05.04 Tuyaux de frein arrière
-
05.06 Frein de stationnement
-
05.07 Mâchoires de frein
-
05.08 Groupe pédales - Leviers
-
05.09 Commande de l'accélérateur
-
06.01 Inverseurs - Commutateurs - Boutons - Interrupteurs
-
06.02 Eclairages avant - Clignotants
-
06.03 Eclairages arrière - Clignotants
-
06.04 Relais - Batterie - Avertisseur sonore
-
06.05 Régulateurs de tension - Bobine H.T.
-
06.06 Boîtiers électroniques - Capteurs
-
06.07 Faisceau de câbles principal
-
06.08 Faisceau de câbles principal II
-
06.09 Composants du système électrique
-
06.12 Essuie-glaces avant et arrière
-
06.13 En option
-
08.01 Réservoir carburant GPL (Pick)
-
08.02 Réservoir carburant GPL (Van)
-
08.03 Instalation de l'alimentation GPL
-
09.01 Réservoir carburant Méthane
-
09.02 Réservoir carburant Méthane II
-
09.03 Instalation de l'alimentation Méthane