mobile menu icon P2R logo

Vehicle Exploded View - MOTO-GUZZI BELLAGIO 940 940 2007-2013 MOTO-GUZZI

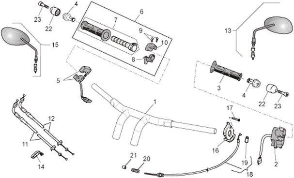
Chassis : 33.18 GUIDON - COMMANDES
Guidon - Commandes
Search
978310 - MANUBRIO

1

P2R reference P2R reference
Maker reference Maker reference
More information

Quantity required : 1

LEFT SWITCH "PIAGGIO GENUINE PART" MOTO-GUZZI 850-1100-1200 GRISO, 940 BELLAGIO/APRILIA 1000 TUONO -AP8127703

2

P2R reference P2R reference
Maker reference Maker reference
More information

Quantity required : 1

HAND GRIP "PIAGGIO GENUINE PARTS" AP8118579

3

P2R reference P2R reference
Maker reference Maker reference
More information

Quantity required : 1

GU03602760 - EQUILIBRAGE

4

P2R reference P2R reference
Maker reference Maker reference
More information

Quantity required : 2

RIGHT LIGHT SWITCH "PIAGGIO GENUINE PART" APRILIA 1000 RSV, TUONO, 900 SHIVER, DORSODURO/MOTO-GUZZI GRISO, BELLAGIO, BREVA, SPORT -B045021

5

P2R reference P2R reference
Maker reference Maker reference
More information

Quantity required : 1

GU05603331 - COMMANDE GAZ CPL.

6

P2R reference P2R reference
Maker reference Maker reference
More information

Quantity required : 1

THROTTLE HANDLE+ HAND GRIPS "PIAGGIO GENUINE PART" COMMON TO THE RANGE MOTO-GUZZI -GU01603480

7

P2R reference P2R reference
Maker reference Maker reference
More information

Quantity required : 1

HALF CLAMP (FRONT) FOR THROTTLE HANDLE "PIAGGIO GENUINE PART" APRILIA 1000 RSV-2, RSV-4/MOTO-GUZZI GRISO, BREVA, BELLAGIO -AP8118502

8

P2R reference P2R reference
Maker reference Maker reference
More information

Quantity required : 1

AP8118492 - VIS CALOTTE;

9

P2R reference P2R reference
Maker reference Maker reference
More information

Quantity required : 2

HALF CLAMP (REAR) FOR THROTTLE HANDLE "PIAGGIO GENUINE PART" APRILIA 1000 RSV-2, RSV-4/MOTO-GUZZI GRISO, BREVA, BELLAGIO -AP8118503

10

P2R reference P2R reference
Maker reference Maker reference
More information

Quantity required : 1

978381 - TRASMISSIONE COMANDO GAS

11

P2R reference P2R reference
Maker reference Maker reference
More information

Quantity required : 1

978382 - TRASMISSIONE RITORNO GAS

12

P2R reference P2R reference
Maker reference Maker reference
More information

Quantity required : 1

MIRRORS (PAIR) (FU) "PIAGGIO GENUINE PART" MOTO-GUZZI NORGE, V7, V9, NEVADA, GRISO, CALIFORNIA, BREVA, BELLAGIO -97702R

13

P2R reference P2R reference
Maker reference Maker reference
More information

Quantity required : 1

MIRRORS (PAIR) (FU) "PIAGGIO GENUINE PART" MOTO-GUZZI NORGE, V7, V9, NEVADA, GRISO, CALIFORNIA, BREVA, BELLAGIO -97702R

13

P2R reference P2R reference
Maker reference Maker reference
More information

Quantity required : 1

GU01609630 - FASCETTA L46 MM

14

P2R reference P2R reference
Maker reference Maker reference
More information

Quantity required : 1

GU03609600 - COLLIER L36 MM

14

P2R reference P2R reference
Maker reference Maker reference
More information

Quantity required : 4

MIRRORS (PAIR) (FU) "PIAGGIO GENUINE PART" MOTO-GUZZI NORGE, V7, V9, NEVADA, GRISO, CALIFORNIA, BREVA, BELLAGIO -97702R

15

P2R reference P2R reference
Maker reference Maker reference
More information

Quantity required : 1

MIRRORS (PAIR) (FU) "PIAGGIO GENUINE PART" MOTO-GUZZI NORGE, V7, V9, NEVADA, GRISO, CALIFORNIA, BREVA, BELLAGIO -97702R

15

P2R reference P2R reference
Maker reference Maker reference
More information

Quantity required : 1

GU01132330 - COMMANDE STARTER

16

P2R reference P2R reference
Maker reference Maker reference
More information

Quantity required : 1

GU98257320 - VIS

17

P2R reference P2R reference
Maker reference Maker reference
More information

Quantity required : 2

GU01132830 - TRASMISSIONE COMANDO STARTER

18

P2R reference P2R reference
Maker reference Maker reference
More information

Quantity required : 1

GU29132750 - CAOUTCHOUC

19

P2R reference P2R reference
Maker reference Maker reference
More information

Quantity required : 1

GU94321070 - RESSORT

20

P2R reference P2R reference
Maker reference Maker reference
More information

Quantity required : 1

GU39094200 - BOUCHON

21

P2R reference P2R reference
Maker reference Maker reference
More information

Quantity required : 1

BAR ENDS - "PIAGGIO GENUINE PART" POUR MOTO-GUZZI 940 BELLAGIO 2007>2013, 1200 GRISO 2007>2013, 750 NEVADA 2009>, 750 V-7 2008> -GU32602860

22

P2R reference P2R reference
Maker reference Maker reference
More information

Quantity required : 2

GU98690335 - VIS M6X35

23

P2R reference P2R reference
Maker reference Maker reference
More information

Quantity required : 2

All the exploded views of this vehicle

Filter :
Or choose :