mobile menu icon P2R logo

Vehicle Exploded View - MOTO-GUZZI V7 750 V7 III Milano 750 E4 ABS 2018 (EMEA LATAM) MOTO-GUZZI

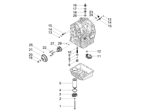
Moteur : 03.190 LUBRIFICATION
Lubrification
Search
GU27152885 - BOULON

1

P2R reference P2R reference
Maker reference Maker reference
More information

Quantity required : 1

O'RING GASKET FOR OIL PIPE "PIAGGIO GENUINE PART" MOTO-GUZZI V9 2016> -GU12154200

2

P2R reference P2R reference
Maker reference Maker reference
More information

Quantity required : 1

1A0051995 - COUVERCLE FILTRE A HUILE

3

P2R reference P2R reference
Maker reference Maker reference
Replaced by référence
More information

Quantity required : 1

COUVERCLE FILTRE A HUILE ORIGINE MOTO GUZZI V7 2020< -1A027178-

3

P2R reference P2R reference
Maker reference Maker reference
More information

Quantity required : 1

GASKET FOR OIL FILTER COVER "PIAGGIO GENUINE PART" MOTO-GUZZI V9 2016> -GU90706444

4

P2R reference P2R reference
Maker reference Maker reference
More information

Quantity required : 1

OIL FILTER "PIAGGIO GENUINE PART" MOTO-GUZZI 750 V7, V9, NEVADA, 750 BREVA, STRADA, V50 -2A000633

5

P2R reference P2R reference
Maker reference Maker reference
More information

Quantity required : 1

GU31159050 - BOUCHON

6

P2R reference P2R reference
Maker reference Maker reference
More information

Quantity required : 1

GU95008206 - RONDELLE 6,15X11X0,8

7

P2R reference P2R reference
Maker reference Maker reference
More information

Quantity required : 1

GU18144350 - RONDELLE

8

P2R reference P2R reference
Maker reference Maker reference
More information

Quantity required : 3

GU94321079 - RESSORT

9

P2R reference P2R reference
Maker reference Maker reference
More information

Quantity required : 1

GU31150950 - PISTON

10

P2R reference P2R reference
Maker reference Maker reference
More information

Quantity required : 1

1A004549 - FILTRE A HUILE

11

P2R reference P2R reference
Maker reference Maker reference
More information

Quantity required : 1

237553 - JOINT O RING

12

P2R reference P2R reference
Maker reference Maker reference
More information

Quantity required : 1

1A005257 - VIS

13

P2R reference P2R reference
Maker reference Maker reference
More information

Quantity required : 2

013763 - PLAQUETTE S01376300

14

P2R reference P2R reference
Maker reference Maker reference
More information

Quantity required : 2

1A004442 - JET

15

P2R reference P2R reference
Maker reference Maker reference
More information

Quantity required : 2

643090 - CAPTEUR POUR HUILE

16

P2R reference P2R reference
Maker reference Maker reference
More information

Quantity required : 1

GU95100309 - RONDELLE

17

P2R reference P2R reference
Maker reference Maker reference
More information

Quantity required : 1

OIL PRESSURE GAUGE UNION "PIAGGIO GENUINE PART" MOTO-GUZZI 750 BREVA, NEVADA, V7, 850 V9 -887093

18

P2R reference P2R reference
Maker reference Maker reference
More information

Quantity required : 1

GU92602510 - ECROU

19

P2R reference P2R reference
Maker reference Maker reference
More information

Quantity required : 1

OIL PUMP SHAFT WASHER (10,5X16X1) "PIAGGIO GENUINE PART" COMMON TO THE RANGE MOTO-GUZZI -AP8152220

20

P2R reference P2R reference
Maker reference Maker reference
More information

Quantity required : 1

GU20147710 - PIGNON DE POMPE

21

P2R reference P2R reference
Maker reference Maker reference
More information

Quantity required : 1

1A007008 - VIS

22

P2R reference P2R reference
Maker reference Maker reference
More information

Quantity required : 3

B015598 - BOUCHON FILTRE OIL

23

P2R reference P2R reference
Maker reference Maker reference
More information

Quantity required : 1

GASKET FOR DRAIN CAP "PIAGGIO GENUINE PART" 125-250-400-500 MP3, BEVERLY, X-EVO, X8, X9, 125 FLY, 125-500 X10/GILERA 125-500 NEXUS/APRILIA 125-400-500 ATLANTIC, SCARABEO -285536

24

P2R reference P2R reference
Maker reference Maker reference
More information

Quantity required : 1

GU92296723 - ROULEAU

25

P2R reference P2R reference
Maker reference Maker reference
More information

Quantity required : 1

GU95100602 - JOINT

26

P2R reference P2R reference
Maker reference Maker reference
More information

Quantity required : 1

1A006053 - POMPE A HUILE COMPLETE

27

P2R reference P2R reference
Maker reference Maker reference
More information

Quantity required : 1

GU19018920 - GOUPILLE

28

P2R reference P2R reference
Maker reference Maker reference
More information

Quantity required : 2

All the exploded views of this vehicle

Filter :
Or choose :