Vehicle Exploded View - PIAGGIO VU PORTER ESSENCE/GPL/MÉTANE STANDARD 0 Porter Up-Date 2009-2010
Guidon/direction : 03.07 ARTICULATION DE DIRECTION
Search
All the exploded views of this vehicle
Filter :
Or choose :
-
-
01.01 Légende
-
01.04 Joints moteur
-
01.06 Vilebrequin
-
01.08 Bloc cylindres
-
01.09 Groupe piston
-
01.10 Ensemble culasse - Soupape
-
01.11 Groupe support balanciers
-
01.12 Couvercle culasse
-
01.17 Courroie de distribution et couvercle
-
01.18 Pompe à huile
-
01.19 Pompe à eau
-
01.20 Démarrage - Démarrage électrique
-
01.22 Alternateur
-
01.24 Filtre à huile
-
01.28 Transmission arrière
-
01.30 Carter de boîte de vitesses
-
01.31 Composants de la boîte de vitesses
-
01.32 Sélecteurs internes de vitesses
-
01.33 Sélecteurs internes de la boîte de vitesses
-
01.34 Embrayage
-
01.37 Boîtier papillon et injecteurs
-
01.38 Raccords d'admission et d'échappement
-
01.42 Silencieux
-
01.43 Soupape EGR
-
01.44 Circuit de recirculation des émissions
-
01.45 Filtre à air
-
02.02 Châssis/caisse avant
-
02.03 Châssis/caisse latérale
-
02.04 Châssis/caisse arrière
-
02.05 Supports moteur
-
02.06 Portières avant - Vitre
-
02.07 Composants des portes avant
-
02.08 Portières arrière - Vitre
-
02.09 Composants des portes arrière
-
02.10 Hayon - Vitre
-
02.12 Composants de la cabine
-
02.13 Ceintures de sécurité
-
02.14 Panneau du toit
-
02.15 Panneaux isolants – Moulures
-
02.16 Panneau plancher arrière
-
02.17 Benne ouverte - Ridelles
-
02.18 Benne ouverte - (Tipper)
-
02.19 Composants de la benne
-
02.20 Ridelles du plateau
-
02.21 Ridelles du plateau (Tipper)
-
02.22 Système de basculement
-
02.24 Pompe de basculement - Composants
-
02.27 Pare-brise - Glaces
-
02.28 Lève-vitre avant et arrière
-
02.29 Fenêtres latérales AR - Panneaux
-
02.35 Panneau du plancher AV
-
02.36 Protections avant - Bavettes
-
02.37 Couvercle arrière - Pare-boue
-
02.38 Monogrammes - Decorations
-
02.40 Sièges avant
-
02.41 Sièges arrière
-
02.42 Revêtements intérieurs
-
02.45 Rétroviseur/s
-
02.46 Serrures
-
02.47 Réservoir carburant
-
02.48 Réservoir carburant II
-
02.51 Pompe à essence
-
02.53 Instalation de l'alimentation
-
02.55 Instalation de refoidissement
-
02.56 Composants du système de refroidissement
-
02.57 Système de chauffage - Air conditionné
-
02.60 Air conditionné
-
03.02 Groupe instruments - Cruscotto
-
03.03 Groupe instruments - Cruscotto (RHD)
-
03.05 Tunnel central
-
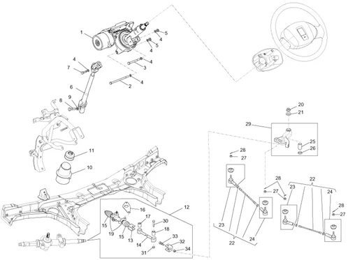
03.07 Articulation de direction
-
03.08 Articulation de direction (RHD)
-
03.09 Volant
-
04.01 Bras oscillant
-
04.07 Suspension avant - Amortisseur/s
-
04.08 Moyeu de la roue avant
-
04.10 Suspension arrière - Amortisseur/s
-
04.13 Roues avant et arrière
-
04.14 Roue de secours
-
05.01 Tuyaus du freins - Etriers de frein
-
05.02 Mâchoires de frein
-
05.04 Système de freinage
-
05.05 Groupe pédales - Leviers
-
05.06 Commande de l'accélérateur
-
05.07 Frein de stationnement
-
06.01 Inverseurs - Commutateurs - Boutons - Interrupteurs
-
06.03 Eclairages avant - Clignotants
-
06.04 Eclairages arrière - Clignotants
-
06.05 Relais - Batterie - Avertisseur sonore
-
06.06 Régulateurs de tension - Centrales electroniques - Bobine H.T.
-
06.07 Boîtiers électroniques - Capteurs
-
06.08 Faisceau de câbles principal
-
06.09 Faisceau de câbles principal II
-
06.12 Composants du système électrique
-
06.16 Essuie-glaces avant et arrière
-
06.18 En option
-
07.01 Transmission avant
-
08.01 Réservoir carburant GPL (Pick)
-
08.02 Réservoir carburant GPL (Van)
-
08.03 Instalation de l'alimentation GPL