mobile menu icon P2R logo

Vehicle Exploded View - DERBI SENDA R 50 Senda R 50 X-Race E2 2004 (EMEA) DERBI

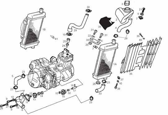
Tables : 23 INSTALLATION REFROIDISSEMENT
Installation refroidissement
Search
867122 - RADIATEUR

1

P2R reference P2R reference
Maker reference Maker reference
More information

Quantity required : 1

COOLING RADIATOR "PIAGGIO GENUINE PART" GILERA 50 RCR , SMT 2006>2010 -86193R

1

P2R reference P2R reference
Maker reference Maker reference
More information

Quantity required : 1

EXPANSION TANK "PIAGGIO GENUINE PART" GILERA 50 SMT,RCR 2000>2005 -00H03802501

2

P2R reference P2R reference
Maker reference Maker reference
More information

Quantity required : 1

COOLANT TANK CAP "PIAGGIO GENUINE PART" 50 GILERA SMT, RCR/APRILIA 50 RS, SX, RX -00H03802472

3

P2R reference P2R reference
Maker reference Maker reference
More information

Quantity required : 1

00G03800601 - TUBE POMPE-RADIATEUR

4

P2R reference P2R reference
Maker reference Maker reference
More information

Quantity required : 1

COOLANT HOSE - FROM CYLINDER TO PUMP "PIAGGIO GENUINE PART" GILERA 50 SMT, RCR 2000>2005, GSM, H@K -00H03801041

5

P2R reference P2R reference
Maker reference Maker reference
More information

Quantity required : 1

WASHER (Ø6) "PIAGGIO GENUINE PART" GILERA 50 SMT, RCR/APRILIA 50 SX, RX, RS -00D01200171

6

P2R reference P2R reference
Maker reference Maker reference
More information

Quantity required : 1

SPRING PLATE (M6) "PIAGGIO GENUINE PART" COMMON FOR ALL THE RANGE -254485

7

P2R reference P2R reference
Maker reference Maker reference
More information

Quantity required : 1

00H03800134 - COUVERCLE DE POMPE D,EAU

8

P2R reference P2R reference
Maker reference Maker reference
More information

Quantity required : 1

SCREW - FOR FAIRINGS FASTENING (5M80X15) "PIAGGIO GENUINE PART" GILERA 50 SMT, RCR/APRILIA 50 SX, RX -00002052051

9

P2R reference P2R reference
Maker reference Maker reference
More information

Quantity required : 1

WASHER "PIAGGIO GENUINE PART" GILERA 50 SMT, RCR/APRILIA 50 SX, RX, RS -847226

10

P2R reference P2R reference
Maker reference Maker reference
More information

Quantity required : 1

GASKET FOR WATER PUMP COVER "PIAGGIO GENUINE PART" GILERA 50 SMT, RCR 1998>2004 -00H03800141

11

P2R reference P2R reference
Maker reference Maker reference
More information

Quantity required : 1

847067 - ECROU

12

P2R reference P2R reference
Maker reference Maker reference
More information

Quantity required : 1

WATER PUMP IMPELLER "PIAGGIO GENUINE PART" GILERA 50 SMT, RCR, GSM, H@K, ZULU 1998>2005 -00H03800151

13

P2R reference P2R reference
Maker reference Maker reference
More information

Quantity required : 1

WATER PUMP GASKET "PIAGGIO GENUINE PART" GILERA 50 SMT, RCR 1998>2003 (VENDU A L UNITE) -00H03810211

14

P2R reference P2R reference
Maker reference Maker reference
More information

Quantity required : 1

WASHER FOR CLUTCH PLATE "PIAGGIO GENUINE PART" GILERA 50 SMT, RCR/APRILIA 50 SX, RX, RS -847224

15

P2R reference P2R reference
Maker reference Maker reference
More information

Quantity required : 1

OIL PUMP PINION "PIAGGIO GENUINE PART" GILERA 50 SMT, RCR, GSM, H@K, ZULU -00H03800381

16

P2R reference P2R reference
Maker reference Maker reference
More information

Quantity required : 1

WATER PUMP AXLE "PIAGGIO GENUINE PART" GILERA 50 SMT, RCR E2, GSM, H@K, ZULU -00H03800161

17

P2R reference P2R reference
Maker reference Maker reference
More information

Quantity required : 1

00053030000 - GOUDILLE

18

P2R reference P2R reference
Maker reference Maker reference
More information

Quantity required : 1

00H03800451 - COLLIER

19

P2R reference P2R reference
Maker reference Maker reference
More information

Quantity required : 1

SILENT-BLOC FOR RADIATOR "PIAGGIO GENUINE PART" GILERA 50 SMT, RCR 2006>2018/APRILIA 50 RS 2006>2018, SX, RX 2006>2018 - 00008915020

20

P2R reference P2R reference
Maker reference Maker reference
More information

Quantity required : 1

SCREW - (M6X1000X16) AIR FILTER FASTENING "PIAGGIO GENUINE PART" GILERA 50 SMT, RCR/APRILIA 50 SX, RX, -00012161600

21

P2R reference P2R reference
Maker reference Maker reference
More information

Quantity required : 1

00D01500552 - CUVETTE

22

P2R reference P2R reference
Maker reference Maker reference
More information

Quantity required : 1

00H03801751 - ABRAZ.NORMA COBRA 22/8 W4

23

P2R reference P2R reference
Maker reference Maker reference
More information

Quantity required : 1

00H03800431 - THERMOSTAT

24

P2R reference P2R reference
Maker reference Maker reference
More information

Quantity required : 1

00H03810421 - ECROU

25

P2R reference P2R reference
Maker reference Maker reference
More information

Quantity required : 1

00002051251 - VIS A TETE CREUSE 5M80X12 N

26

P2R reference P2R reference
Maker reference Maker reference
More information

Quantity required : 1

00H03800441 - RONDELLE

27

P2R reference P2R reference
Maker reference Maker reference
More information

Quantity required : 1

00G03801701 - BRIDE TUBE RESPIRATION R?SERVO

28

P2R reference P2R reference
Maker reference Maker reference
More information

Quantity required : 1

COOLANT HOSE - HEAD TO EXPANSION TANK "PIAGGIO GENUINE PART" GILERA SMT, RCR 1998>2005 -00H03804021

29

P2R reference P2R reference
Maker reference Maker reference
More information

Quantity required : 1

00008204500 - COLLIER COBRA 21/8 W4

30

P2R reference P2R reference
Maker reference Maker reference
More information

Quantity required : 1

00092061214 - VIS A TETE RONDE A FENTES C

31

P2R reference P2R reference
Maker reference Maker reference
More information

Quantity required : 1

BUSH FOR WTER PUMP AXLE "PIAGGIO GENUINE PART" GILERA 50 SMT, RCR E2, GSM, HAK, ZULU -00H03800231

32

P2R reference P2R reference
Maker reference Maker reference
More information

Quantity required : 1

COOLANT HOSE- FROM WATER PUMP TO CYLINDER "PIAGGIO GENUINE PART" GILERA 50 SMT, RCR 1998>2010 -00H03802031

33

P2R reference P2R reference
Maker reference Maker reference
More information

Quantity required : 1

RADIATOR SUPPORT "PIAGGIO GENUINE PART" GILERA 50 SMT, RCR/APRILIA 50 SX, RX -00G02200692

34

P2R reference P2R reference
Maker reference Maker reference
More information

Quantity required : 1

00H03801711 - ADHESIF

35

P2R reference P2R reference
Maker reference Maker reference
More information

Quantity required : 1

RADIATOR GRID "PIAGGIO GENUINE PART" GILERA 50 SMT, RCR 2006> -2B005365

36

P2R reference P2R reference
Maker reference Maker reference
More information

Quantity required : 1

NUT - FOR SEAT FASTENING "PIAGGIO GENUINE PART" GILERA 50 SMT, RCR/APRILIA 50 SX, RX, RS -00G04401462

37

P2R reference P2R reference
Maker reference Maker reference
More information

Quantity required : 1

00012151500 - VIS A TETE RONDE A FENTES C

38

P2R reference P2R reference
Maker reference Maker reference
More information

Quantity required : 1

SCREW - FOR RADIATOR GRILLE COVER "PIAGGIO GENUINE PART" GILERA 50 SMT, RCR/APRILIA 50 RS, RX, SX -00011141300

39

P2R reference P2R reference
Maker reference Maker reference
More information

Quantity required : 1

MULTI-PURPOSE WASHER "PIAGGIO GENUINE PART" GILERA 50 SMT, RCR/APRILIA 50 SX, RX, RS -847181

40

P2R reference P2R reference
Maker reference Maker reference
More information

Quantity required : 1

SWITCH /TEMPERATURE SENSOR "PIAGGIO GENUINE PART" GILERA 50 SMT, RCR 2006>2009, APRILIA 50 SX, RX 2006>2009 -00G03800741

41

P2R reference P2R reference
Maker reference Maker reference
More information

Quantity required : 1

All the exploded views of this vehicle

Filter :
Or choose :