Icone menu mobile Logo P2R
Créer un compte

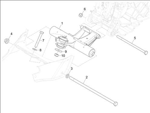
Eclatés de véhicule - VESPA VESPA PRIMAVERA 50 E5 Officina 8 2025 (EMEA) VESPA

Suspensions - roues : 04.01 BRAS OSCILLANT
Bras oscillant
Rechercher
1C005577 REAR SWINGING ARM

1

Référence P2R Référence P2R
Référence constructeur Référence constructeur
Plus d'informations

Quantité requise : 1

AXE/VIS BRAS OSCILLANT ORIGINE PIAGGIO 50-125 VESPA LX, PRIMAVERA, SPRINT, VESPA-S, 125-250-300 VESPA GTS -597914

2

Référence P2R Référence P2R
Référence constructeur Référence constructeur
Plus d'informations

Quantité requise : 1

RONDELLE DE BRAS OSCILLANT ORIGINE PIAGGIO VESPA -266845

3

Référence P2R Référence P2R
Référence constructeur Référence constructeur
Plus d'informations

Quantité requise : 1

ECROU (M12) AXE DE ROUE ORIGINE PIAGGIO COMMUN A LA GAMME -271740

4

Référence P2R Référence P2R
Référence constructeur Référence constructeur
Plus d'informations

Quantité requise : 1

AXE/VIS BRAS DE SUSPENSION (10X202) ORIGINE PIAGGIO COMMUN A LA GAMME MAXISCOOTER 125-250-300 CC -271807

5

Référence P2R Référence P2R
Référence constructeur Référence constructeur
Plus d'informations

Quantité requise : 1

ECROU (M10) DE SECURITE ORIGINE PIAGGIO COMMUN A LA GAMME -1C005302

6

Référence P2R Référence P2R
Référence constructeur Référence constructeur
Plus d'informations

Quantité requise : 2

560045 - VIS

7

Référence P2R Référence P2R
Référence constructeur Référence constructeur
Plus d'informations

Quantité requise : 1

RONDELLE PLATE (10.3x22x2.5) ORIGINE PIAGGIO COMMUN A LA GAMME -178790

8

Référence P2R Référence P2R
Référence constructeur Référence constructeur
Plus d'informations

Quantité requise : 1

RONDELLE PLATE (10x37) ORIGINE PIAGGIO COMMUN A LA GAMME -122781

9

Référence P2R Référence P2R
Référence constructeur Référence constructeur
Plus d'informations

Quantité requise : 2

ECROU (M10) DE SECURITE ORIGINE PIAGGIO COMMUN A LA GAMME -1C005302

10

Référence P2R Référence P2R
Référence constructeur Référence constructeur
Plus d'informations

Quantité requise : 1

Tous les éclatés de ce véhicule

Filtrer :
Ou choisissez :