Icone menu mobile Logo P2R
Créer un compte

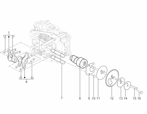
Eclatés de véhicule - VESPA VESPA GTS 125 4T ie Super E3 2009-2016 VESPA

Moteur : 01.11 GROUPE SUPPORT BALANCIERS
Groupe support balanciers
Rechercher
CULBUTEUR/BASCULEUR ADMISSION ORIGINE PIAGGIO 125-250-300 MP3, BEVERLY, X7, X8, X-EVO, VESPA GTS, YOURBAN, X9/GILERA 125-250-300 NEXUS/APRILIA 125-250-300 ATLANTIC, SR-MAX -B0184835

1

Référence P2R Référence P2R
Référence constructeur Référence constructeur
Remplacé par la référence
Plus d'informations

Quantité requise : 1

B019352 - BALANCIER SOUPAPE SORTIE

1

Référence P2R Référence P2R
Référence constructeur Référence constructeur
Plus d'informations

Quantité requise : 1

ECROU DE CULBUTEUR (M6x0.75) ORIGINE PIAGGIO COMMUN A LA GAMME -484819

2

Référence P2R Référence P2R
Référence constructeur Référence constructeur
Plus d'informations

Quantité requise : 2

ECROU REGLAGE CULBUTEUR ORIGINE PIAGGIO 125-250 X-EVO, VESPA GTS/MOTO-GUZZI MOTEUR 1200, 1400 CC -879916

2

Référence P2R Référence P2R
Référence constructeur Référence constructeur
Plus d'informations

Quantité requise : 2

VIS CULBUTEUR ORIGINE PIAGGIO COMMUN A LA GAMME MAXISCOOTER -82817R

3

Référence P2R Référence P2R
Référence constructeur Référence constructeur
Plus d'informations

Quantité requise : 2

CULBUTEUR D'ECHAPPEMENT ORIGINE PIAGGIO 125-250-300 MP3 2007>, VESPA GTS 2007>, 125 X-EVO 2007>, X9 2003>, X10 2012>/GILERA 125-250-300 NEXUS/APRILIA 125 ATLANTIC -B0184845

4

Référence P2R Référence P2R
Référence constructeur Référence constructeur
Remplacé par la référence
Plus d'informations

Quantité requise : 1

B019354 - BALANCIER SOUPAPE SORTIE

4

Référence P2R Référence P2R
Référence constructeur Référence constructeur
Plus d'informations

Quantité requise : 1

ECROU DE CULBUTEUR (M6x0.75) ORIGINE PIAGGIO COMMUN A LA GAMME -484819

5

Référence P2R Référence P2R
Référence constructeur Référence constructeur
Plus d'informations

Quantité requise : 2

ECROU REGLAGE CULBUTEUR ORIGINE PIAGGIO 125-250 X-EVO, VESPA GTS/MOTO-GUZZI MOTEUR 1200, 1400 CC -879916

5

Référence P2R Référence P2R
Référence constructeur Référence constructeur
Plus d'informations

Quantité requise : 2

VIS CULBUTEUR ORIGINE PIAGGIO COMMUN A LA GAMME MAXISCOOTER -82817R

6

Référence P2R Référence P2R
Référence constructeur Référence constructeur
Plus d'informations

Quantité requise : 2

AXE DU CULBUTEURS ORIGINE PIAGGIO 125 MP3, X7, X8, X9, X-EVO, VESPA GTS/GILERA 125 NEXUS/APRILIA 125 ATLANTIC -486343

7

Référence P2R Référence P2R
Référence constructeur Référence constructeur
Plus d'informations

Quantité requise : 2

B019428 - AXE DU CULBUTEURS

7

Référence P2R Référence P2R
Référence constructeur Référence constructeur
Plus d'informations

Quantité requise : 2

ARBRE A CAMES ORIGINE PIAGGIO 125 BEVERLY 2010>2015, VESPA GTS 2009>2016, X10 2012 (INJECTION) -1A000610R5

8

Référence P2R Référence P2R
Référence constructeur Référence constructeur
Plus d'informations

Quantité requise : 1

ARBRE A CAMES ORIGINE PIAGGIO 125 MP3 ie 2010>, X10 2012>, YOURBAN 2012>, X7 2009>, BEVERLY 2010>, VESPA GTS 2009>/GILERA 125 NEXUS 2008>/APRILIA 125 SR-MAX 2011> -8751215

8

Référence P2R Référence P2R
Référence constructeur Référence constructeur
Plus d'informations

Quantité requise : 1

TOLE ARBRE A CAMES ORIGINE PIAGGIO COMMUN A LA GAMME -877309

9

Référence P2R Référence P2R
Référence constructeur Référence constructeur
Plus d'informations

Quantité requise : 1

VIS BRIDE TH (5x12) ORIGINE PIAGGIO COMMUN A LA GAMME -484123

10

Référence P2R Référence P2R
Référence constructeur Référence constructeur
Plus d'informations

Quantité requise : 2

RONDELLE DE GROUPE BALANCIER ORIGINE PIAGGIO 125-250 MAXISCOOTER 2009< -487832

11

Référence P2R Référence P2R
Référence constructeur Référence constructeur
Plus d'informations

Quantité requise : 1

RONDELLE ARBRE A CAME ORIGINE PIAGGIO COMMUN A LA GAMME -877310

11

Référence P2R Référence P2R
Référence constructeur Référence constructeur
Plus d'informations

Quantité requise : 1

877771 - COURONNE

12

Référence P2R Référence P2R
Référence constructeur Référence constructeur
Plus d'informations

Quantité requise : 1

COURONNE DISTRIBUTION ORIGINE PIAGGIO 300-400 BEVERLY, MP3, GTS 2019> -B014970

12

Référence P2R Référence P2R
Référence constructeur Référence constructeur
Plus d'informations

Quantité requise : 1

RONDELLE SPECIALE GROUPE BALANCIER ORIGINE PIAGGIO 125 SCOOTER 2012< -830447

13

Référence P2R Référence P2R
Référence constructeur Référence constructeur
Plus d'informations

Quantité requise : 1

RONDELLE PLATE DE BALANCIER ORIGINE PIAGGIO 125 2013< -830446

14

Référence P2R Référence P2R
Référence constructeur Référence constructeur
Plus d'informations

Quantité requise : 1

VIS BRIDE TH (6x20) ORIGINE PIAGGIO COMMUN A LA GAMME -018639

15

Référence P2R Référence P2R
Référence constructeur Référence constructeur
Plus d'informations

Quantité requise : 1

VIS BTR (5x25) AVEC FREIN FILET ORIGINE PIAGGIO COMMUN A LA GAMME -1A003115

16

Référence P2R Référence P2R
Référence constructeur Référence constructeur
Plus d'informations

Quantité requise : 1

Tous les éclatés de ce véhicule

Filtrer :
Ou choisissez :