Icone menu mobile Logo P2R
Créer un compte

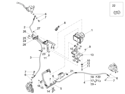
Eclatés de véhicule - MOTO GUZZI V7 750 V7 III Stone 750 E4 ABS 2017 (EMEA LATAM) MOTO GUZZI

Système frein abs : 06.050 SYSTÈME FREIN ABS
Système frein ABS
Rechercher
CENTRALE DE FREIN ABS ORIGINE MOTO-GUZZI V7, V9 2017> -2D000102-

1

Référence P2R Référence P2R
Référence constructeur Référence constructeur
Plus d'informations

Quantité requise : 1

2B001557 - TUBO ABS HECU - POMPA ANTERIORE

2

Référence P2R Référence P2R
Référence constructeur Référence constructeur
Plus d'informations

Quantité requise : 1

2B001558 - TUBO ABS HECU - PINZA ANTERIORE

3

Référence P2R Référence P2R
Référence constructeur Référence constructeur
Plus d'informations

Quantité requise : 1

2B003325 - TUBE

4

Référence P2R Référence P2R
Référence constructeur Référence constructeur
Plus d'informations

Quantité requise : 1

2B003327 - TUYAU

5

Référence P2R Référence P2R
Référence constructeur Référence constructeur
Plus d'informations

Quantité requise : 1

RONDELLE (10x14x1,6) ORIGINE PIAGGIO COMMUN A LA GAMME -AP8113004

6

Référence P2R Référence P2R
Référence constructeur Référence constructeur
Plus d'informations

Quantité requise : 8

VIS TUYAU HUILE (10MM) ORIGINE PIAGGIO COMMUN A LA GAMME -AP8113003

7

Référence P2R Référence P2R
Référence constructeur Référence constructeur
Plus d'informations

Quantité requise : 4

2B001570 - SUPPORTO POST. TUBAZIONI ABS

8

Référence P2R Référence P2R
Référence constructeur Référence constructeur
Plus d'informations

Quantité requise : 1

DOUILLE EN T (DIAMETRE INTERIEUR 6) ORIGINE PIAGGIO COMMUN A LA GAMME -AP8221023

9

Référence P2R Référence P2R
Référence constructeur Référence constructeur
Plus d'informations

Quantité requise : 3

CAOUTCHOUC/ENTRETOISE ORIGINE PIAGGIO COMMUN A LA GAMME -AP8120030

10

Référence P2R Référence P2R
Référence constructeur Référence constructeur
Plus d'informations

Quantité requise : 3

VIS BRIDE TH (6x20) AVEC FREIN FILET ORIGINE PIAGGIO COMMUN A LA GAMME -2B004560

11

Référence P2R Référence P2R
Référence constructeur Référence constructeur
Plus d'informations

Quantité requise : 3

VIS BRIDE TH (6x20) AVEC FREIN FILET ORIGINE PIAGGIO COMMUN A LA GAMME -2B004560

11

Référence P2R Référence P2R
Référence constructeur Référence constructeur
Plus d'informations

Quantité requise : 3

RONDELLE PLATE (6.6x18x1.6) ORIGINE PIAGGIO COMMUN A LA GAMME -AP8150015

12

Référence P2R Référence P2R
Référence constructeur Référence constructeur
Plus d'informations

Quantité requise : 2

2B003056 - PLAQUE SUPPORT

13

Référence P2R Référence P2R
Référence constructeur Référence constructeur
Plus d'informations

Quantité requise : 1

2B001564 - PIASTRA DI SUPPORTO CON P.I.

14

Référence P2R Référence P2R
Référence constructeur Référence constructeur
Plus d'informations

Quantité requise : 1

2B001614 - PIASTRINA FISSAGGIO TUBI FRENO ABS

15

Référence P2R Référence P2R
Référence constructeur Référence constructeur
Plus d'informations

Quantité requise : 1

VIS BTR (4X10) ORIGINE PIAGGIO COMMUN A LA GAMME -AP8152043

16

Référence P2R Référence P2R
Référence constructeur Référence constructeur
Plus d'informations

Quantité requise : 1

GU03658330 - COLLIER

17

Référence P2R Référence P2R
Référence constructeur Référence constructeur
Plus d'informations

Quantité requise : 1

895709 - VIS

18

Référence P2R Référence P2R
Référence constructeur Référence constructeur
Plus d'informations

Quantité requise : 1

ECROU AUTOBLOQUANT/NYLSTOP (M5) ORIGINE PIAGGIO COMMUN A LA GAMME -AP8150451

19

Référence P2R Référence P2R
Référence constructeur Référence constructeur
Plus d'informations

Quantité requise : 1

GU03658201 - BAGUE

20

Référence P2R Référence P2R
Référence constructeur Référence constructeur
Plus d'informations

Quantité requise : 1

AP8121882 - GUIDE-CABLE

21

Référence P2R Référence P2R
Référence constructeur Référence constructeur
Plus d'informations

Quantité requise : 1

2B000276 - GRAFFETTA FISSAGGIO TUBI

22

Référence P2R Référence P2R
Référence constructeur Référence constructeur
Plus d'informations

Quantité requise : 2

2B004471 - SUPPORT

23

Référence P2R Référence P2R
Référence constructeur Référence constructeur
Plus d'informations

Quantité requise : 1

ZZZ AP8152239 - VIS

24

Référence P2R Référence P2R
Référence constructeur Référence constructeur
Plus d'informations

Quantité requise : 1

BOUCHON CAOUTCHOUC ORIGINE PIAGGIO COMMUN A LA GAMME -AP8120001

25

Référence P2R Référence P2R
Référence constructeur Référence constructeur
Plus d'informations

Quantité requise : 1

AP8102386 - FASCETTA IN NYLON NERA

26

Référence P2R Référence P2R
Référence constructeur Référence constructeur
Plus d'informations

Quantité requise : 1

VIS BTR TETE BOMBEE (5x9) ORIGINE PIAGGIO COMMUN A LA GAMME -AP8150500

27

Référence P2R Référence P2R
Référence constructeur Référence constructeur
Plus d'informations

Quantité requise : 1

2B004458 - PROTECTION

28

Référence P2R Référence P2R
Référence constructeur Référence constructeur
Plus d'informations

Quantité requise : 1

Tous les éclatés de ce véhicule

Filtrer :
Ou choisissez :