Icone menu mobile Logo P2R
Créer un compte

Eclatés de véhicule - APRILIA RS 50 RS4 50 2T 2014 APRILIA

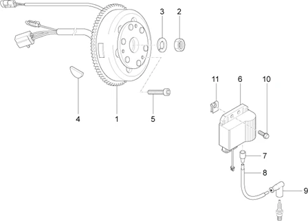
Moteur : 03.300 VOLANT MAGNÉTIQUE / ALLUMAGE
Volant magnétique / Allumage
Rechercher
ALLUMAGE (AVEC DEMARREUR) ORIGINE DERBI 50 SENDA DRD PRO 2005>2011/GILERA SMT 2006>, RCR 2006>/APRILIA RS 2006>2016 -82852R

1

Référence P2R Référence P2R
Référence constructeur Référence constructeur
Plus d'informations

Quantité requise : 1

ECROU ALLUMAGE ORIGINE PIAGGIO 50 GILERA SMT, RCR 2006>/DERBI SENDA 2006>/APRILIA SX, RX, RS 2006>, RS4 2011> -847235

2

Référence P2R Référence P2R
Référence constructeur Référence constructeur
Plus d'informations

Quantité requise : 1

RONDELLE ROTOR ALLUMAGE ORIGINE PIAGGIO GILERA 50 SMT, RCR/DERBI 50 SENDA 2006>/APRILIA 50 SX, RX, RS -1A011675

3

Référence P2R Référence P2R
Référence constructeur Référence constructeur
Plus d'informations

Quantité requise : 1

RONDELLE ROTOR ALLUMAGE ORIGINE PIAGGIO GILERA 50 SMT, RCR/DERBI 50 SENDA 2006>/APRILIA 50 SX, RX, RS -1A011675

3

Référence P2R Référence P2R
Référence constructeur Référence constructeur
Plus d'informations

Quantité requise : 1

CLAVETTE DE VOLANT ALLUMAGE ET EMBRAYAGE ORIGINE PIAGGIO 50 GILERA SMT, RCR 2006>/DERBI SENDA 2000>/APRILIA RS, RX, SX 2006>, RS4 2011> -847215

4

Référence P2R Référence P2R
Référence constructeur Référence constructeur
Plus d'informations

Quantité requise : 1

VIS TORX (5X12) ORIGINE PIAGGIO COMMUN A LA GAMME -B014598

5

Référence P2R Référence P2R
Référence constructeur Référence constructeur
Plus d'informations

Quantité requise : 3

BOBINE ALLUMAGE 50 A BOITE ORIGINE PIAGGIO APRILIA 50 RS4 2011>2017 -897642

6

Référence P2R Référence P2R
Référence constructeur Référence constructeur
Plus d'informations

Quantité requise : 1

CAPUCHON ISOLANT ORIGINE PIAGGIO COMMUN A LA GAMME -231571

7

Référence P2R Référence P2R
Référence constructeur Référence constructeur
Plus d'informations

Quantité requise : 1

8

Référence P2R Référence P2R
Référence constructeur Référence constructeur
00G03301271 - PIPE DE BOUGIE

9

Référence P2R Référence P2R
Référence constructeur Référence constructeur
Plus d'informations

Quantité requise : 1

VIS BRIDE TH (6x20) ORIGINE PIAGGIO COMMUN A LA GAMME -AP8152279

10

Référence P2R Référence P2R
Référence constructeur Référence constructeur
Plus d'informations

Quantité requise : 2

ECROU TOLE (M6) ORIGINE PIAGGIO COMMUN A LA GAMME -254485

11

Référence P2R Référence P2R
Référence constructeur Référence constructeur
Plus d'informations

Quantité requise : 2

Tous les éclatés de ce véhicule

Filtrer :
Ou choisissez :