Icone menu mobile Logo P2R
Créer un compte

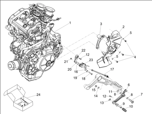
Eclatés de véhicule - APRILIA RS 660 Extrema 4T 8V E5 ABS 2023 (EMEA) APRILIA

Moteur : 03.01 MOTEUR-GROUPE COMPLEMENTAIRE
Moteur-Groupe complementaire
Rechercher
CM2966116 - ENG 660 RS TUONO EMEA USA LIGHT

1

Référence P2R Référence P2R
Référence constructeur Référence constructeur
Plus d'informations

Quantité requise : 1

CARTER DE PIGNON ORIGINE APRILIA 660 RS, TUONO 2020> -2B005847-

2

Référence P2R Référence P2R
Référence constructeur Référence constructeur
Plus d'informations

Quantité requise : 1

2B005886 CRANKCASE PROTECTION

3

Référence P2R Référence P2R
Référence constructeur Référence constructeur
Plus d'informations

Quantité requise : 1

VIS BRIDE TH (6x12) ORIGINE PIAGGIO COMUUN A LA GAMME -AP8152277

4

Référence P2R Référence P2R
Référence constructeur Référence constructeur
Plus d'informations

Quantité requise : 3

DOUILLE EN T INTERIEUR 6 MM ORIGINE PIAGGIO COMMUN A LA GAMME -AP8121811

5

Référence P2R Référence P2R
Référence constructeur Référence constructeur
Plus d'informations

Quantité requise : 3

SELECTEUR DE VITESSE ORIGINE PIAGGIO APRILIA 660 RS, TUONO 2020> -2B006353

6

Référence P2R Référence P2R
Référence constructeur Référence constructeur
Plus d'informations

Quantité requise : 1

PIVOT/VIS DE PEDALE DE FREIN ARRIERE ORIGINE PIAGGIO COMMUN A LA GAMME MOTO APRILIA ET MOTO-GUZZI -884033

7

Référence P2R Référence P2R
Référence constructeur Référence constructeur
Remplacé par la référence
Plus d'informations

Quantité requise : 1

PIVOT/VIS DE PEDALE DE FREIN ARRIERE ORIGINE PIAGGIO COMMUN A LA GAMME MOTO APRILIA ET MOTO-GUZZI -2B012762

7

Référence P2R Référence P2R
Référence constructeur Référence constructeur
Plus d'informations

Quantité requise : 1

JOINT TORIQUE (11,11x1,78) ORIGINE PIAGGIO COMMUN A LA GAMME -AP8144007

8

Référence P2R Référence P2R
Référence constructeur Référence constructeur
Plus d'informations

Quantité requise : 2

TIGE LEVIER DE FREIN ARRIERE ORIGINE PIAGGIO POUR MOTO-GUZZI STELVIO 2024, 850-1200 NORGE, BREVA, 1200 SPORT/TIGE SELECTEUR DE VITESSES GAMME MOTO APRILIA -AP8121221

9

Référence P2R Référence P2R
Référence constructeur Référence constructeur
Plus d'informations

Quantité requise : 1

CAOUTCHOUC LEVIER DE FREIN ARRIERE OU SELECTEUR ORIGINE PIAGGIO POUR MOTO-GUZZI/APRILIA -AP8120912

10

Référence P2R Référence P2R
Référence constructeur Référence constructeur
Plus d'informations

Quantité requise : 1

RONDELLE PLATE (10,5x21x2) ORIGINE PIAGGIO COMMUN A LA GAMME -AP8150020

11

Référence P2R Référence P2R
Référence constructeur Référence constructeur
Plus d'informations

Quantité requise : 1

VIS BTR TETE BOMBEE (6x20) INOX ORIGINE PIAGGIO COMMUN A LA GAMME -AP8224470

12

Référence P2R Référence P2R
Référence constructeur Référence constructeur
Plus d'informations

Quantité requise : 2

CLIPS/CIRCLIPS DIAMETRE 9mm ORIGINE PIAGGIO COMMUN A LA GAMME -AP8150462

13

Référence P2R Référence P2R
Référence constructeur Référence constructeur
Plus d'informations

Quantité requise : 1

RONDELLE ELASTIQUE COURBE (8.5x15x0.8) ORIGINE PIAGGIO COMMUN A LA GAMME -AP8150376

14

Référence P2R Référence P2R
Référence constructeur Référence constructeur
Plus d'informations

Quantité requise : 1

ECROU AUTOBLOQUANT/NYLSTOP (M8) ORIGINE PIAGGIO COMMUN A LA GAMME -AP8150431

15

Référence P2R Référence P2R
Référence constructeur Référence constructeur
Plus d'informations

Quantité requise : 1

JOINT TORIQUE (115) ORIGINE PIAGGIO COMMUN A LA GAMME -AP8220177

16

Référence P2R Référence P2R
Référence constructeur Référence constructeur
Plus d'informations

Quantité requise : 2

TIGE DE COMMANDE DE BOITE DE VITESSE ORIGINE APRILIA 660 RS, TUONO 2020> -2B005643

17

Référence P2R Référence P2R
Référence constructeur Référence constructeur
Plus d'informations

Quantité requise : 1

VIS BTR TETE FRAISEE (6x35) ORIGINE PIAGGIO COMMUN A LA GAMME -898463

18

Référence P2R Référence P2R
Référence constructeur Référence constructeur
Plus d'informations

Quantité requise : 1

898134 - DOUILLE

19

Référence P2R Référence P2R
Référence constructeur Référence constructeur
Plus d'informations

Quantité requise : 1

2B007255 BUSH

20

Référence P2R Référence P2R
Référence constructeur Référence constructeur
Plus d'informations

Quantité requise : 1

ECROU BRIDE AUTOBLOQUANT/NYLSTOP (M6) ORIGINE PIAGGIO COMMUN A LA GAMME -AP8152299

21

Référence P2R Référence P2R
Référence constructeur Référence constructeur
Plus d'informations

Quantité requise : 1

2B011144 - GEARSHIFT CONTROL LEVER

22

Référence P2R Référence P2R
Référence constructeur Référence constructeur
Plus d'informations

Quantité requise : 1

CAPTEUR DE CHANGEMENT DE VITESSE ORIGINE APRILIA 660,TUONO 2020>/1000-1100 RSV4 2017>(QUICK SHIFT) -2D000690

23

Référence P2R Référence P2R
Référence constructeur Référence constructeur
Plus d'informations

Quantité requise : 1

ZZZ 1L006293C - KIT EQUIPMENT FOR VEHICLE TRANSFORMAT.

24

Référence P2R Référence P2R
Référence constructeur Référence constructeur
Plus d'informations

Quantité requise : 1

Tous les éclatés de ce véhicule

Filtrer :
Ou choisissez :