Icone menu mobile Logo P2R
Créer un compte

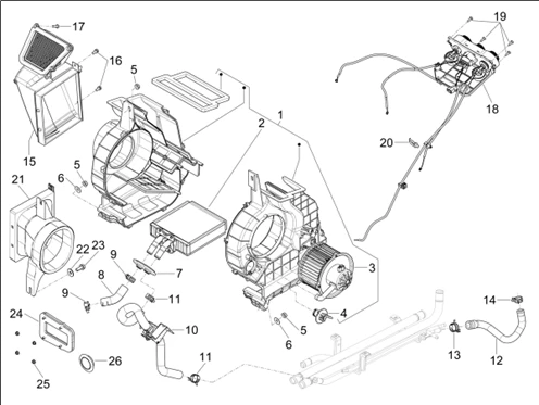
Eclatés de véhicule - PIAGGIO VU PORTER NP6 1500 Porter NP6 (SW 2650) M.Y. 2022 PIAGGIO VU

06_châssis - circuits : 06.03 03_SYSTÈME DE CHAUFFAGE
03_Système de chauffage
Rechercher
WC3811010051A0 HEATER ASSEMBLY

1

Référence P2R Référence P2R
Référence constructeur Référence constructeur
Plus d'informations

Quantité requise : 1

NOYAU DU CHAUFFAGE ORIGINE PIAGGIO PORTER NP6 2021> -WC3811010800A0-

2

Référence P2R Référence P2R
Référence constructeur Référence constructeur
Plus d'informations

Quantité requise : 1

WC3811010300A0 ELECTRIC FAN

3

Référence P2R Référence P2R
Référence constructeur Référence constructeur
Plus d'informations

Quantité requise : 1

WC3811010500A0 RESISTOR

4

Référence P2R Référence P2R
Référence constructeur Référence constructeur
Plus d'informations

Quantité requise : 1

WQ32008F61 ÉROU HEXAGONAL BRIDE

5

Référence P2R Référence P2R
Référence constructeur Référence constructeur
Plus d'informations

Quantité requise : 3

WQ402B08F61 RONDELLE

6

Référence P2R Référence P2R
Référence constructeur Référence constructeur
Plus d'informations

Quantité requise : 2

GASKET HEATING HOSES

7

Référence P2R Référence P2R
Référence constructeur Référence constructeur
WET811050003A0 OUTLET WATER HEATER HOSE

8

Référence P2R Référence P2R
Référence constructeur Référence constructeur
Plus d'informations

Quantité requise : 1

COLLIER METALLIQUE DE DURITE RECHAUFFEUR ORIGINE PIAGGIO PORTER NP6 -WQ673C25

9

Référence P2R Référence P2R
Référence constructeur Référence constructeur
Plus d'informations

Quantité requise : 2

TUYAU ENTREE EAU RECHAUFFEUR CHAUFFAGE ORIGINE PIAGGIO PORTER NP6 2021> -WET811050002A0-

10

Référence P2R Référence P2R
Référence constructeur Référence constructeur
Plus d'informations

Quantité requise : 1

COLLIER METALLIQUE DE DURITE RECHAUFFEUR ORIGINE PIAGGIO PORTER NP6 -WQ673C25

11

Référence P2R Référence P2R
Référence constructeur Référence constructeur
Plus d'informations

Quantité requise : 2

WET811050000A0 WATER HEATER HOSE

12

Référence P2R Référence P2R
Référence constructeur Référence constructeur
Plus d'informations

Quantité requise : 1

COLLIER METALLIQUE DE DURITE RECHAUFFEUR ORIGINE PIAGGIO PORTER NP6 -WQ673C25

13

Référence P2R Référence P2R
Référence constructeur Référence constructeur
Plus d'informations

Quantité requise : 1

WQ673C21 CLAMP

14

Référence P2R Référence P2R
Référence constructeur Référence constructeur
Plus d'informations

Quantité requise : 1

WC3811040051A0 AIR INTAKE DUCT INT EST

15

Référence P2R Référence P2R
Référence constructeur Référence constructeur
Plus d'informations

Quantité requise : 1

VIS TH (6x16) AVEC RONDELLE ORIGINE PIAGGIO COMMUN A LA GAMME -WQ146B0616F61

16

Référence P2R Référence P2R
Référence constructeur Référence constructeur
Plus d'informations

Quantité requise : 4

VIS TH (6x20) AVEC RONDELLE ORIGNE PIAGGIO COMMUN A LA GAMME -WQ146B0620F62

17

Référence P2R Référence P2R
Référence constructeur Référence constructeur
Plus d'informations

Quantité requise : 3

COMMANDE DE CHAUFFAGE ORIGINE PIAGGIO PORTER NP6 2021> -WET811030000A0

18

Référence P2R Référence P2R
Référence constructeur Référence constructeur
Plus d'informations

Quantité requise : 1

WQ2714816F61 SELF TAPPING SCREW W CROSS SLOT

19

Référence P2R Référence P2R
Référence constructeur Référence constructeur
Plus d'informations

Quantité requise : 4

WL0362080004A0 SPECIAL TIE STRIP

20

Référence P2R Référence P2R
Référence constructeur Référence constructeur
Plus d'informations

Quantité requise : 1

WC3811040053A0 AIR CHANNEL

21

Référence P2R Référence P2R
Référence constructeur Référence constructeur
Plus d'informations

Quantité requise : 1

WQ402B08F61 RONDELLE

22

Référence P2R Référence P2R
Référence constructeur Référence constructeur
Plus d'informations

Quantité requise : 2

WQ1840820F61 HEXAGON FLANGE BOLT

23

Référence P2R Référence P2R
Référence constructeur Référence constructeur
Plus d'informations

Quantité requise : 2

WL0812070078A0 AC CAP

24

Référence P2R Référence P2R
Référence constructeur Référence constructeur
Plus d'informations

Quantité requise : 1

WQ32005F62 ÉROU HEXAGONAL BRIDE

25

Référence P2R Référence P2R
Référence constructeur Référence constructeur
Plus d'informations

Quantité requise : 4

W1B16982600106 FLOOR SPOUT PLUG

26

Référence P2R Référence P2R
Référence constructeur Référence constructeur
Plus d'informations

Quantité requise : 1

Tous les éclatés de ce véhicule

Filtrer :
Ou choisissez :