Icone menu mobile Logo P2R
Créer un compte

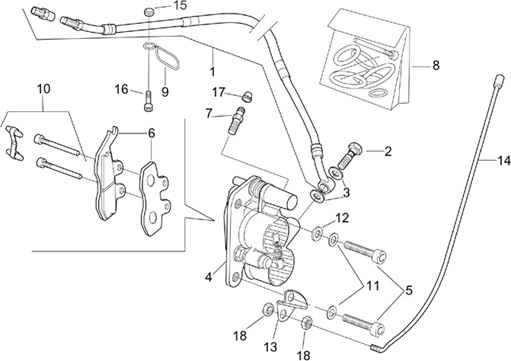
Eclatés de véhicule - APRILIA MX 50 2004 APRILIA

Chassis : 28.23 PINCE FREIN AVANT
Pince frein avant
Rechercher
AP8213154 - TUBE FREIN AV

1

Référence P2R Référence P2R
Référence constructeur Référence constructeur
Plus d'informations

Quantité requise : 1

VIS TUYAU HUILE (10MM) ORIGINE PIAGGIO COMMUN A LA GAMME -AP8113003

2

Référence P2R Référence P2R
Référence constructeur Référence constructeur
Plus d'informations

Quantité requise : 1

RONDELLE (10x14x1,6) ORIGINE PIAGGIO COMMUN A LA GAMME -AP8113004

3

Référence P2R Référence P2R
Référence constructeur Référence constructeur
Plus d'informations

Quantité requise : 2

ZZZ AP8113460 - PINCE FREIN AV

4

Référence P2R Référence P2R
Référence constructeur Référence constructeur
Plus d'informations

Quantité requise : 1

VIS BTR (8x35) ORIGINE PIAGGIO COMMUN A LA GAMME -AP8150236

5

Référence P2R Référence P2R
Référence constructeur Référence constructeur
Plus d'informations

Quantité requise : 2

ZZZ AP8113478 - PLAQUETTES-PAIRE

6

Référence P2R Référence P2R
Référence constructeur Référence constructeur
Plus d'informations

Quantité requise : 1

VIS DE PURGE ETRIER DE FREIN ORIGINE PIAGGIO COMMUN A LA GAMME SCOOTER ET MAXISCOOTER APRILIA -AP8213108

7

Référence P2R Référence P2R
Référence constructeur Référence constructeur
Plus d'informations

Quantité requise : 1

KIT REVISION ETRIER DE FREIN AVANT ORIGINE PIAGGIO APRILIA 50-125 SX, RX, PEGASO 2004< -AP8113374

8

Référence P2R Référence P2R
Référence constructeur Référence constructeur
Plus d'informations

Quantité requise : 1

GUIDE CABLE ORIGINE PIAGGIO COMMUN A LA GAMME -AP8120428

9

Référence P2R Référence P2R
Référence constructeur Référence constructeur
Plus d'informations

Quantité requise : 1

ZZZ 494685 - KIT REVIS FREIN FX *

10

Référence P2R Référence P2R
Référence constructeur Référence constructeur
Plus d'informations

Quantité requise : 1

RONDELLE ELASTIQUE COURBE (8.5x15x0.8) ORIGINE PIAGGIO COMMUN A LA GAMME -AP8150376

11

Référence P2R Référence P2R
Référence constructeur Référence constructeur
Plus d'informations

Quantité requise : 2

RONDELLE PLATE (8.4x16x1.6) ORIGINE PIAGGIO COMMUN A LA GAMME -AP8150017

12

Référence P2R Référence P2R
Référence constructeur Référence constructeur
Plus d'informations

Quantité requise : 1

ZZZ AP8234239 - PIASTRA SUPPORTO SENSORE

13

Référence P2R Référence P2R
Référence constructeur Référence constructeur
Plus d'informations

Quantité requise : 1

ZZZ AP8224573 - SENSORE MAGNETICO

14

Référence P2R Référence P2R
Référence constructeur Référence constructeur
Plus d'informations

Quantité requise : 1

ECROU BRIDE AUTOBLOQUANT/NYLSTOP (M6) ORIGINE PIAGGIO COMMUN A LA GAMME -AP8152299

15

Référence P2R Référence P2R
Référence constructeur Référence constructeur
Plus d'informations

Quantité requise : 1

VIS BRIDE TH (6x16) ORIGINE PIAGGIO COMMUN A LA GAMME -AP8152278

16

Référence P2R Référence P2R
Référence constructeur Référence constructeur
Plus d'informations

Quantité requise : 1

CAPUCHON RENIFLARD ETRIER DE FREIN OROGINE PIAGGIO COMMUN A LA GAMME 2008< -AP8113005

17

Référence P2R Référence P2R
Référence constructeur Référence constructeur
Plus d'informations

Quantité requise : 1

ECROU (M8) ORIGINE PIAGGIO COMMUN A LA GAMME -AP8152262

18

Référence P2R Référence P2R
Référence constructeur Référence constructeur
Plus d'informations

Quantité requise : 2

Tous les éclatés de ce véhicule

Filtrer :
Ou choisissez :