Vehicle Exploded View - APRILIA SPORT CITY CUBE 250 IE E3 2008-2012
All the exploded views of this vehicle
Filter :
Or choose :
-
-
28.01 Chassis
-
28.02 Béquille
-
28.03 Fourche - Base avec tube
-
28.04 Fourche tiges,fourreaux
-
28.05 Biellette
-
28.06 Suspension arriere
-
28.07 Carrosserie av. - Coupole
-
28.08 Carrosserie av. - Garde-boue AV
-
28.09 Carrosserie av. - Frontal
-
28.10 Carrosserie av. - Tablier interne
-
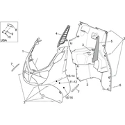
28.11 Carrosserie centrale I
-
28.12 Carrosserie centrale II
-
28.13 Dessous selle
-
28.14 Groupe selle
-
28.15 Carrosserie posterieure I
-
28.16 Carrosserie posterieure II
-
28.17 Support pour valise
-
28.18 Tableau de bord
-
28.19 Guidon
-
28.20 Commandes gche
-
28.21 Commandes dte
-
28.22 Radiateur
-
28.23 Installation refroidissement
-
28.24 Réservoir essence
-
28.25 Corps filtre
-
28.28 Groupe d’echappement
-
28.29 Roue Av.
-
28.30 Pince AV
-
28.31 Roue arrière
-
28.32 Pince AR
-
28.33 Feu avant
-
28.34 Feu arrière
-
28.35 Circuit electrique I
-
28.36 Circuit electrique II
-
28.37 Kit serrure
-
28.53 Sys.récup.vap.ess.
-
28.54 Plaquettes et decalcomanies
-
29.26 Corps à papillon
-
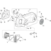
29.27 Moteur
-
29.38 Carter moteur
-
29.39 Arbre moteur
-
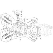
29.40 Cylindre
-
29.41 Culasse
-
29.42 Arbre à cames
-
29.43 Soupape reniflard huile
-
29.44 Tendeur de chaîne
-
29.45 Filtre à huile
-
29.46 Embrayage
-
29.47 Pompe huile
-
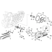
29.48 Transmission
-
29.49 Groupe variateur
-
29.50 Démarreur
-
29.51 Couvercle variateur
-
29.52 Allumage