Eclatés de véhicule - APRILIA SXV 450 2009-2011
Tous les éclatés de ce véhicule
Filtrer :
Ou choisissez :
-
-
28.01 Chassis
-
28.02 Repose-Pieds
-
28.03 Béquille
-
28.04 Direction I
-
28.05 Fourche I
-
28.06 Fourche arriere
-
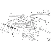
28.07 Suspension arriere
-
28.08 Carrosserie av. I
-
28.09 Carrosserie av. II
-
28.10 Reservoir carburant
-
28.11 Réservoir huile I
-
28.12 Réservoir huile II
-
28.13 Selle
-
28.14 Carrosserie centrale
-
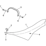
28.15 Carrosserie posterieure I
-
28.16 Tableau de bord
-
28.17 Commandes
-
28.18 Installation refroidissement
-
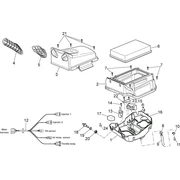
28.19 Corps filtre
-
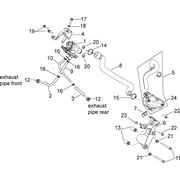
28.20 Groupe echappement
-
28.21 Roue Av.
-
28.22 Roue arrière
-
28.23 Sys.frein avant
-
28.24 Sys.frein arrière
-
28.25 Feux avant
-
28.26 Feux arriere
-
28.27 Circuit electrique I
-
28.28 Circuit electrique II
-
28.29 Groupe complementaire
-
28.53 Décalco
-
29.30 Moteur
-
29.31 Carter moteur I
-
29.32 Carter moteur II
-
29.33 Pompe huile
-
29.34 Lubrification
-
29.35 Arbre moteur
-
29.36 Cylindre av.piston
-
29.37 Tête cylindre
-
29.38 Soupapes
-
29.39 Plaquettes soupapes
-
29.40 Distribution cylindre avant
-
29.41 Distribution cylindre arrière
-
29.42 Arbre transmission
-
29.43 Selecteur boîte de vitesses I
-
29.44 Selecteur boîte de vitesses II
-
29.45 Arbre primaire
-
29.46 Arbre secondaire
-
29.47 Embrague I
-
29.48 Pompe à eau
-
29.49 Démarreur
-
29.50 Corps à papillon
-
29.51 Allumage
-
29.52 Air secondaire