Vehicle Exploded View - DERBI SENDA R 50 Senda R X-Race 50 2T E2 2010
All the exploded views of this vehicle
Filter :
Or choose :
-
-
66.01 Chassis
-
66.02 Fourche Paioli
-
66.03 Fourche Escorts
-
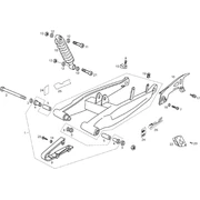
66.04 Fourche arriere - Amortisseur
-
66.05 Réservoir - Corps filtre
-
66.06 Carrosserie
-
66.07 Guidon - Commandes
-
66.08 Circuit electrique
-
66.09 Roue AV
-
66.10 Roue AR
-
66.11 Sys.frein arrière
-
66.12 Tableau de bord
-
66.13 Pot d'échappement
-
66.14 Installation refroidissement
-
66.15 Groupe complementaire
-
67.26 OUTILLAGE SPECIAL
-
68.16 Cylindre - Culasse
-
68.17 Embrayage
-
68.18 Arbre sélecteur
-
68.19 Boîte de vitesses
-
68.20 Levier démarrage
-
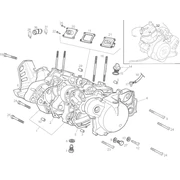
68.21 Carter
-
68.22 Carburateur
-
68.23 Allumage
-
68.24 Pick-up
-
68.25 Pompe à eau